糖心

欢迎您访问糖心 有限公司网站,公司主要生产精密交叉滚子糖心 ,YRT转台糖心 ,柔性糖心 ,谐波减速机糖心 ,薄壁精密糖心 ,中空旋转平台糖心 等产品。
全国咨询热线: 0379-63123369 15670310586

产品展示

交叉滚子糖心

XSU080218
XSU140744

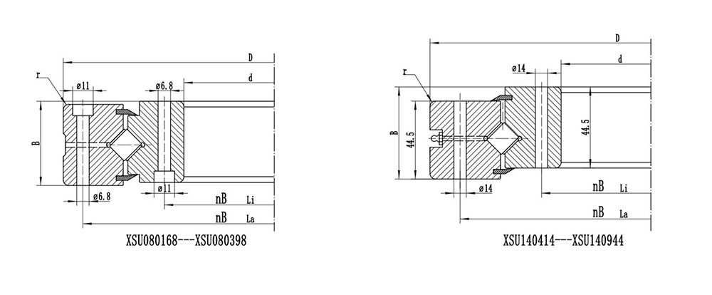
XSU系列交叉滚子糖心

XSU 系列(内外环一体型),带安装孔,无齿双侧密封型交叉圆柱滚子回转支撑糖心 ,能用于外环和内环旋转。型号主要尺寸基本额定载荷(轴向) 基本额定载荷(径向)
品牌: 滚道形状:
XSU080218
XSU140744
产品详情

XSU 系列(内外环一体型),带安装孔,无齿双侧密封型交叉圆柱滚子回转支撑糖心 ,能用于外环和内环旋转。

 

XSU结构.jpg

 

 

型号 主要尺寸 基本额定载荷(轴向)  基本额定载荷(径向)  重量
内圈 外圈 宽度 安装孔 倒角 φLa φLi Ca C0a Cr Cor Kg
d D nB r KN KN KN KN
(mm) (mm) (mm) (mm) (min)
XSU080168 130 205 25.4 12 1.1 190 145 66 240 42 96 3.3
XSU080188 150 225 25.4 16 1.1 210 165 71 275 46 110 3.7
XSU080218 180 255 25.4 20 1.1 240 195 77 315 49 127 4.3
XSU080258 220 295 25.4 24 1.5 280 235 84 375 54 151 5.1
XSU080318 280 355 25.4 28 1.5 340 295 93 465 59 185 6.3
XSU080398 360 435 25.4 36 2 420 375 106 590 68 236 7.8
XSU140414 344 484 56 24 2 460 368 229 520 146 250 28
XSU140544 474 614 56 32 2.5 590 498 270 680 170 330 38
XSU140644 574 714 56 36 2.5 690 598 290 800 185 395 44
XSU140744 674 814 56 40 3 790 698 315 930 200 455 52
XSU140844 744 914 56 40 3 890 798 340 1050 215 510 60
XSU140944 874 1014 56 44 3 990 898 360 1170 227 580 67
XSU141094 1024 1164 56 48 4 1140 1048 390 1360 246 670 77