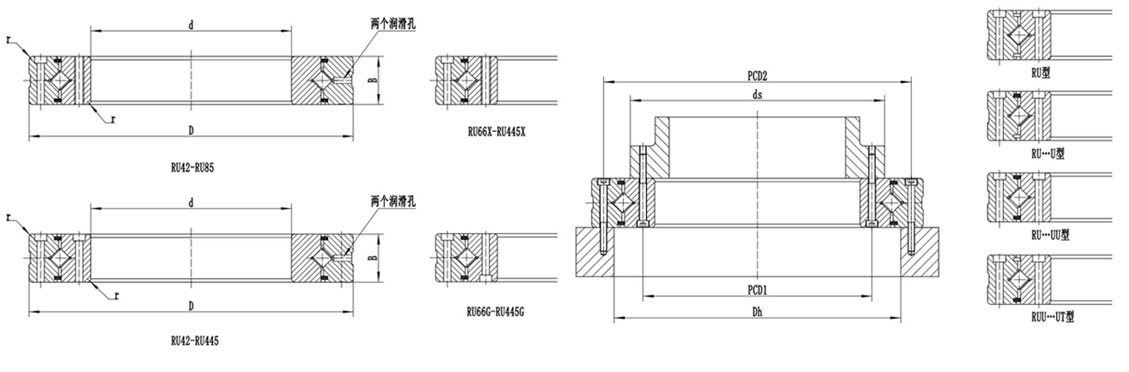
RU系列(内外环一体型),此系列型号由于已经进行了安装孔的加工,就不需要法兰和支承座。另外,由于采用带座的一体化内环结构,安装对性能几乎没有影响,因此能够获得稳定的旋转精度和扭矩。能用于外环和内环旋转。
糖心 型号 | 尺寸 | 靠肩尺寸 |
基本额定载荷 (径向) |
安装孔尺寸 | 重量 | ||||||||||
内径 | 外径 | 滚子节圆直径 | 宽度 | 油孔 | 倒角 | 内圈 | 外圈 | ||||||||
d | D | dp | B | d1 | r | ds | Dh | Cr/kN | Cor/kN | PCD1 | 安装孔 | PCD2 | 安装孔 | kg | |
RU28 | 10 | 52 | 28 | 8 | 3.1 | 0.3 | 24 | 29.5 | 2.9 | 3.4 | 16 | 4-M3贯通 | 42 | 6-ф3.4贯通,ф6.5沉孔深度3.3 | 0.12 |
RU42 | 20 | 70 | 41.5 | 12 | 3.1 | 0.3 | 37 | 47 | 7.35 | 8.35 | 28 | 6-M3贯通 | 57 | 6-ф3.4贯通,ф6.5沉孔深度3.3 | 0.29 |
RU57 | 25 | 80 | 57 | 12 | 3.1 | 0.6 | 47 | 58 | 8.61 | 10.6 | 35 | 6-M3贯通 | 67 | 6-ф3.4贯通,ф6.5沉孔深度3.3 | 0.4 |
RU66 | 35 | 95 | 66 | 15 | 3.1 | 0.6 | 59 | 74 | 17.5 | 22.3 | 45 | 8-M4贯通 | 83 | 8-ф4.5贯通,ф8沉孔深度4.4 | 0.62 |
RU85 | 55 | 120 | 85 | 15 | 3.1 | 0.6 | 79 | 93 | 20.3 | 29.5 | 65 | 8-M5贯通 | 105 | 8-ф5.5贯通,ф9.5沉孔深度5.4 | 1 |
RU124(G) | 80 | 165 | 124 | 22 | 3.1 | 1 | 114 | 134 | 33.1 | 50.9 | 97 | 10-ф5.5贯通,ф9.5沉孔深度5.4 | 148 | 10-ф5.5贯通,ф9.5沉孔深度5.4 | 2.6 |
RU124X | 80 | 165 | 124 | 22 | 3.1 | 1 | 114 | 134 | 33.1 | 50.9 | 97 | 10-M5贯通 | 148 | 10-ф5.5贯通,ф9.5沉孔深度5.4 | |
RU148(G) | 90 | 210 | 147.5 | 25 | 3.1 | 1.5 | 133 | 162 | 49.1 | 76.8 | 112 | 12-ф9 贯通,ф14沉孔深度8.6 | 187 | 12-ф9 贯通,ф14沉孔深度8.6 | 4.9 |
RU148X | 90 | 210 | 147.5 | 25 | 3.1 | 1.5 | 133 | 162 | 49.1 | 76.8 | 112 | 12-M8贯通 | 187 | 12-ф9 贯通,ф14沉孔深度8.6 | |
RU178(G) | 115 | 240 | 178 | 28 | 3.1 | 1.5 | 161 | 195 | 80.3 | 135 | 139 | 12-ф9 贯通,ф14沉孔深度8.6 | 217 | 12-ф9 贯通,ф14沉孔深度8.6 | 6.8 |
RU178X | 115 | 240 | 178 | 28 | 3.1 | 1.5 | 161 | 195 | 80.3 | 135 | 139 | 12-M8贯通 | 217 | 12-ф9 贯通,ф14沉孔深度8.6 | |
RU228(G) | 160 | 295 | 227.5 | 35 | 6 | 2 | 208 | 246 | 104 | 172 | 184 | 12-ф11 贯通,ф17.5沉孔深度10.8 | 270 | 12-ф11 贯通,ф17.5沉孔深度10.8 | 11.4 |
RU228X | 160 | 295 | 227.5 | 35 | 6 | 2 | 208 | 246 | 104 | 172 | 184 | 12-M10贯通 | 270 | 12-ф11 贯通,ф17.5沉孔深度10.8 | |
RU297(G) | 210 | 380 | 297.3 | 40 | 6 | 2.5 | 272 | 320 | 156 | 281 | 240 | 16-ф14 贯通,ф20沉孔深度13 | 350 | 16-ф14 贯通,ф20沉孔深度13 | 21.3 |
RU297X | 210 | 380 | 297.3 | 40 | 6 | 2.5 | 272 | 320 | 156 | 281 | 240 | 16-M12贯通 | 350 | 16-ф14 贯通,ф20沉孔深度13 | |
RU445(G) | 350 | 540 | 445.4 | 45 | 6 | 2.5 | 417 | 473 | 222 | 473 | 385 | 24-ф14 贯通,ф20沉孔深度13 | 505 | 24-ф14 贯通,ф20沉孔深度13 | 35.4 |
RU445X | 350 | 540 | 445.4 | 45 | 6 | 2.5 | 417 | 473 | 222 | 473 | 385 | 24-M12贯通 | 505 | 24-ф14 贯通,ф20沉孔深度13 |